![]() |
![]() |
![]() |
![]() |
![]() |
![]() |
![]() |
![]() |
![]() |
![]() |
![]() |
![]() |
![]() |
![]() |
![]() |
![]() |
![]() |
![]() |


|
Uno degli elementi principali degli impianti 2S (2 Seile = 2 funi = 1 fune portante + 1 fune traente) ad agganciamento automatico e' la morsa. Tale dispositivo consente l'agganciamento e quindi il serraggio del veicolo all'anello trattivo. Questi impianti sono all'avanguardia in tutto il mondo in quanto dotati di moderne tecnologie e capaci di potenzialita' orarie di trasporto mai raggiunte con un impianto di risalita (sino a 3500 persone/ora). Questa tipologia di impianto viene progettata e realizzata completamente in Italia, a Lana (BZ), e viene messa a disposizione della Doppelmayr nel mondo. Il primo impianto di questo tipo e' stato realizzato a fine 2002 a Garmisch in Germania. Il modello di calcolo della morsa e' stato svolto con Straus7. |




CARRELLO E MORSA 2S
PER IMPIANTI 2S
AD AMMORSAMENTO AUTOMATICO
CON FUNE PORTANTE E FUNE TRAENTE
RELAZIONE
DICEMBRE 2000
DESCRIZIONE e motivazioni costruttive
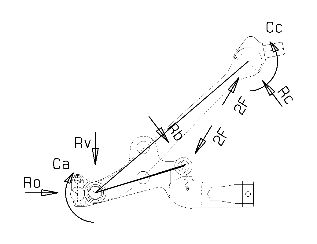
Il carrello a 4 rulli e' costituito principalmente da un telaio portante saldato, posizionato assimetricamente sul lato esterno della linea, dal quale sporgono due tubi trasversali alla linea fungenti come assi per i due bilancieri con rispettivi rulli. Nella zona centrale del telaio e' attaccata inferiormente una morsa singola, a due molle ad elica di tipologia e costruzione del tutto similare a quella delle morse singole per impianti monofune. Il perno principale per la sospensione forma corpo unico con il corpo morsa (vedi fig. 1).
Nelle scelte costruttive e' stato cercato di favorire la semplicita', attraverso la limitazione del numero di elementi vitali ed al loro facile assemblaggio, oltre che ovviamente la sicurezza funzionale. Nella costruzione sono stati infatti applicati i seguenti criteri:
Elementi costruttivi, materiali e connessioni
Gli elementi costruttivi, i loro materiali e le connessioni tra essi verranno di seguito esplicati in dettaglio (vedi fig. 1):
FIG. 1

Durante un viaggio intero del veicolo vengono passate le fasi sotto elencate. Dapprima verranno pero' descritte le posizioni fondamentali assunte dalla morsa:
Il cinematismo della morsa composto dalla leva mobile, dagli steli guida-molle e dal glifo (realizzanti, in senso stretto, un manovellismo cosiddetto a glifo rotante) - puo' assumere, in assenza di azioni sul rullo di apertura della morsa, le due seguenti configurazioni fondamentali di equilibrio :
L'accelerazione e la decelerazione del veicolo, rispettivamente prima del serraggio e dopo il disaccoppiamento della morsa dalla fune, sono impresse da una serie di ruote gommate in rotazione sincrona col moto della fune, le quali agiscono su una apposita piastra longitudinale, solidale col corpo della morsa.
Mentre nella fase rettilinea del giro stazione, compreso la fase di accoppiamento, il carrello scorre sui rulli del carrello, nella fase lenta curva esso sara' sostenuto da due rulli di scorrimento.
L'apertura e la chiusura della morsa vengono comandate, per mezzo di una apposita guida di stazione, che agendo superiormente sul rullo portato dalla leva mobile, ne determina lo spostamento verso il basso ovvero verso l'alto, rispettivamente vincendo o assecondando la spinta esercitata dalle molle su detta leva. Quando il rullo viene abbassato rispetto alla posizione che esso presenta nelle condizioni di morsa serrata sulla fune t., ha inizio l'allontanamento delle ganasce dalla fune medesima. Ovviamente, quando a partire da tale configurazione estrema, la guida di stazione permette al rullo della leva mobile di riportarsi nuovamente in alto, sotto la spinta delle molle, le ganasce della morsa si avvicinano l'una all'altra fino a serrare fra di loro la fune t., se quest'ultima viene a trovarsi interposta fra le stesse (il che avviene in fase di lancio dei veicoli), ovvero fino a che il manovellismo di serraggio raggiunge la configurazione di morsa a riposo, se le ganasce risultano disaccoppiate dalla fune medesima (il che avviene durante il giro di stazione dei veicoli).
I carichi sul rullo di apertura vengono scaricati dal carrello sul rullo di guida esterno oltre che in minima parte sui rulli del carrello.
Veicolo in entrata /uscita stazione
Il veicolo passa da una situazione di libera oscillazione intorno all'asse fune in linea a quella totalmente guidata in fase di apertura /chiusura attraverso la canalizzazione del rullo esterno nella guida esterna, formata inizialmente ad imbuto. Tale canalizzazione viene talvolta assecondato da guide ausiliare poste sotto le fune, che limitano la oscillazione laterale dell' asta di sospensione.
In ogni caso vi sono sforzi dinamici sul carrello, che verranno valutati convenzionalmente come aumentati sforzi peso. Per il rullo esterno vi sara' applicata nella verifica un carico verticale fittizio convenzionale.
Durante il passaggio della rulliera di ritenuta di entrata stazione vi sono carichi verticali abbassanti sul carrello, dato che durante il passaggio il carrello costringe la fune di alzarsi lievemente, in opposizione ai rulli molleggiati di ritenuta.
In tal caso sul carrello agiscono, oltre al carico peso, in particolare con fune traente poco tesa, un sovraccarico dato dal parziale sostenimento di tale fune. Inoltre vi sono i carichi vento su fune traente e veicolo.
Durante il passaggio sul sostegno la fune traente verra' alzata dal carrello dai rulli di appoggio della scarpa. Ai carichi peso vi saranno sommati percio' quelli di sollevamento fune.
FIG. 2

FIG.3





